Three-phase step transformer with 24 steps


Datasheet as PDF
 

ceclass_H61558_onk


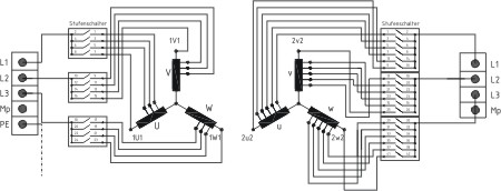
Three-phase step transformerCircuit diagram of 24 steps

Three-phase step switchStep switch


Application


The step transformer is operated in a test stand for motors.


Technical data


Type size: EI 600/600/150
Voltage primary: 400 - 449 V
Voltage secondary: 300 - 689 V
Rated power: 100 kVA
Frequency: 50 Hz
Construction: open, built in a housing IP 23
Weight: 580 kg


© 2018 Tauscher Transformatoren GmbH                                                                                                                                   Impressum / Privacy Policy